10Kv變電及工廠配電自動化實驗裝置
10KV輸配電綜合模擬實訓系統,10Kv變電及工廠配電自動化實驗裝置對教材中的10kV的總降壓變電所(HSS)的0.4KV及車間用電負荷,咨詢熱線13122891392 ...
訂購熱線:021-66581511
中人教儀廠是專業生產10Kv變電及工廠配電自動化實驗裝置,10KV輸配電綜合模擬實訓系統及配件的廠家,生產的10Kv變電及工廠配電自動化實驗裝置,10KV輸配電綜合模擬實訓系統品質過硬,中人品牌在國內已經擁有幾百所院校客戶。
本文關鍵詞:10Kv變電及工廠配電自動化實驗裝置
ZRPD-SPD 10KV輸配電綜合模擬實訓系統
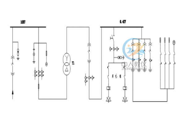
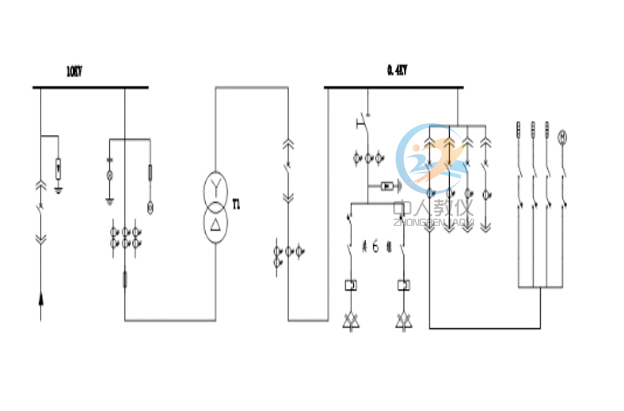
10Kv變電及工廠配電自動化實驗裝置”是依據《工廠供電》、《供配電技術》等相關課程和實驗的要求,利用先進的配電自動化技術開發的具有多種實驗實訓功能的綜合性教學培訓設備。系統模擬10KV輸電10KV變電及工廠廠站用戶,實現準現場化的數據監測、系統控制等操作,利用電力RTU設備實現電力SCADA功能。該裝置配有各種常規標準化電氣元件及電力系統專用網關單元裝置,能夠完成低壓系統包括10KV線路、變壓器、低壓負載、無功補償、等在內的操作控制和故障模擬實訓。該裝置主要對教材中的10kV的總降壓變電所(HSS)的0.4KV及車間用電負荷的供配電線路、無功自動補償裝置、智能采集模塊等電氣一次、二次、功能控制及故障保護等重點教學內容進行設計開發的,通過在本實訓裝置中的技能訓練能在深入理解低壓電氣專業知識的同時,培養學生的實踐技能。并且本套實訓裝置還有利于學生對常規繼電器、交流接觸器、電動機控制、電流互感器使用、電壓互感器使用、電力電容器、數字無功補償及開關元器件工作特性和接線原理的理解和掌握。
特點
1.實用性強本裝置根據典型教學內容設計,在開發中征求了專業教師的建議、吸收了工程應用中的實際經驗。比較系統地實現了工廠低壓系統的受電、分配、控制、故障等實踐技能訓練要求。學生在實訓中還能掌握正確的電路投切操作,倒閘操作,運行控制以及各種故障排除的調整操作規程。此外,裝置中還加入一些新型元器件,使同學們能夠更加清楚的了解電氣系統的發展進程。本裝置結構清晰,運行靈活,操作方便,安全可靠。為學生提高實踐技能建立了一個良好的實訓平臺。
2.綜合性強
本裝置綜合了與工廠供電相關的控制回路結構,計量單元結構,故障模擬結構,無功補償結構等功能,采用的是工業現場產品,有利于進行理論分析和數值分析。
3.先進性
本裝置控制回路、數據采集和PLC微機智能檢測控制的相關技術,采用分層分布式控制方式,組建成集回路控制、機體漏電保護、數據測量和單元信號為一體的綜合自動化實訓平臺。體現了當前自動化技術和通信技術在供配電網的深刻變革方向。
4.安全性
本實訓系統融合了錯誤操作安全偵別系統,如控制回路斷線、錯誤操作信號告警功能。
技術指標
1、基本參數2)供電電源:兩相三線供電,
3)頻率:50HZ
4)功率:20KW;
5)試驗臺尺寸:2200*800*1600mm(長*深*高,鋼制噴塑結構)
6)重量:230KG
2、絕緣性能
◎絕緣電阻:裝置所有電路與外殼之間絕緣電阻在標準條件下,不小于100MΩ
◎戒指強度:裝置所有電路與外殼的介質強度能耐受交流50HZ,電壓2KV(有效值)歷時1MIN實驗,二無絕緣擊穿或閃絡現象。當復查戒指強度是,試驗電壓值為規定值的75%。
3、沖擊電壓
◎ 導電部分對外露的非金屬部分及外殼之間,在規定的試驗大氣條件下,能耐受幅值為5KV的標準雷電波短時沖擊檢驗
4、抗干擾能力
◎裝置能承受GB/T14598.13規定的頻率為1HZ及100HZ衰減震蕩波(第一個半波電壓幅值共模為2.5KV差為1KV)脈沖干擾試驗;
◎裝置能承受GB/T14598.14規定的嚴酷等級為Ⅳ級的靜電放電干擾試驗
◎裝置能承受GB/T14598.9規定的嚴酷等級為Ⅲ級的輻射電磁干擾試驗
◎裝置能承受GB/T14598.10規定的嚴酷等級為Ⅳ級的快速瞬變干擾試驗
5、機械性能
◎工作條件:裝置能承受嚴酷等級為1級的振動響應、沖擊響應試驗。
◎運輸條件:裝置能承受嚴酷等級為1級的振動耐久、沖擊耐久及碰撞試驗。
6、環境條件
環境溫度
◆工作:-10℃~+50℃
◆儲存:-25℃+70℃在極限值下不適加激勵量,裝置不出現不可逆變化,溫度恢復后裝置應能正常工作;
◎大氣壓力:86~106KPA(相當于海拔高度2KM及以下);
◎相對濕度:不大于95%,無凝露;
◎其他條件:裝置周圍的空氣帶有酸、堿、腐蝕或奧加或爆炸性的物質。
主要配置
一.10KV線路保護系統
1、含線路開關系統的測量、控制,即有線路開關及其控制系統、電流互感器、電壓互感器、三相開關的控制、微機保護測控裝置等;
2、線路CT互感器;
3、 線路抽取電壓VT組合互感器400/100;
4、可在線監測各線路的三相電流、電壓的有效值和相位;各序分量的有效值和相位;有功功率、無功功率、功率因數以及頻率;
5、在線監測線路開關的開、斷狀態;
6、對線路開關的開 / 合控制;
7、微機保護測控裝置的響應能力滿足對生產過程的數據采集和控制命令執行的時間要求,模擬量采樣頻率>3200,通過GOOSE命令開出出口時間≤7ms;
8、控制中心的響應能力滿足系統數據采集、人機通信、控制功能和系統通信的時間要求;
9、智能微機測控單元支持標準電力規約,可上送SOE信息、上送和接受GOOSE信息,可以通過雙環網以太網和站控層直接通訊,接受來自站控層的遙控命令,支持B碼對時;
10、智能微機測控單元的響應能力:中斷響應時間 ≤2ms;模擬點采集周期 ≤1s;控制命令響應時間 ≤1s;刷新時間 ≤1s;
1) 裝置采用許繼集團生產的WGB-871微機線路測控裝置,該裝置集成電路 全部采用工業品或軍品,使得裝置有很高的穩定性和可靠性。
2) 采用32位DSP作為保護CPU,配置大容量的RAM和Flash Memory;數 據運算、邏輯處理和信息存儲能力強,可靠性高,運行速度快。
3) 采用16位A/D作為數據采集,數據采集每周24點,保護測量精度高。
4) 采用圖形液晶,全中文顯示菜單式人機交互;可實時顯示各種運行狀態及數據,信息詳細直觀,操作、調試方便。
5) 可獨立整定8套保護定值,定值區切換安全方便。
6) 大容量的信息記錄:可保存不小于100個最近發生的歷史報告,可帶動作參數,掉電保持,便于事故分析。
7) 通信規約采用IEC-60870-5-103規約或MODBUS規約可選,設有雙RS-485通信接口;組網經濟、方便,可直接與微機監控或保護管理機聯網通訊。
8) 具有錄波功能,裝置記錄保護跳閘前4周波,跳閘后6周波(每周波24點)的采樣數據,保護跳閘后上送變電站自動化主站,也可以通過故障分析軟件進行故障分析。
9) 保護出口方式可以按照保護配置,出口設置方便靈活。
主要技術指標:
1、額定數據
額定電源電壓: DC220V
額定交流電壓:相電壓100/V
額定交流電流:5A
額定頻率:50Hz
半周波:100In
2、裝置功耗
1、交流電壓回路: 每相不大于1VA;
2、交流電流回路: In=5A時每相不大于1VA;In=1A時每相不大于
0.5VA;
3、零序電流回路: 1A;
4、保護電源回路: 正常工作時,不大于12W;保護動作時,不大于15W。
3、環境條件
環境溫度
工作: -25℃~+55℃。
儲存:-25℃~+70℃,相對濕度不大于80%,周圍空氣中不含有酸性、堿性或其它腐蝕性及爆炸性氣體的防雨、防雪的室內;在極限值下不施加激勵量,裝置不出現不可逆轉的變化,溫度恢復后,裝置應能正常工作。
相對濕度:最濕月的月平均最大相對濕度為90%,同時該月的月平均最低溫度為25℃且表面不凝露。最高溫度為+40℃時,平均最大濕度不超過50%。
大氣壓力:80kPa~110kPa(相對海拔高度2km以下)。
4、抗干擾性能
1) 脈沖群干擾試驗:能承受GB/T14598.13-1998規定的頻率為1MHz及100kHz衰減振蕩波(第一半波電壓幅值共模為2.5kV,差模為1kV)脈沖群干擾試驗。
2) 快速瞬變干擾試驗:能承受GB/T14598.10-1997第四章規定的嚴酷等級為Ⅳ級的快速瞬變干擾試驗。
3) 輻射電磁場干擾試驗:能承受GB/T14598.9-1995第四章規定的嚴酷等級為Ⅲ級的輻射電磁場干擾試驗。
4) 靜電放電試驗:能承受GB/T14598.14-1998中4.1規定的嚴酷等級為Ⅲ級的靜電放電試驗。
5) 電磁發射試驗:能承受GB/T14598.16-2002中4.1規定的傳導發射限值及4.2規定的輻射發射限值的電磁發射試驗。
6) 工頻磁場抗擾度試驗:能承受GB/T17626.8-1998第5章規定的嚴酷等級為Ⅳ級的工頻磁場抗擾度試驗。
7) 脈沖磁場抗擾度試驗:能承受GB/T17626.9-1998第5章規定的嚴酷等級為Ⅳ級的脈沖磁場抗擾度試驗。
8) 阻尼振蕩磁場抗擾度試驗:能承受GB/T17626.10-1998第5章規定的嚴酷等級為Ⅳ級的阻尼振蕩磁場抗擾度試驗。
9) 浪涌抗擾度試驗:能承受IEC 60255-22-5:2002第4章規定的嚴酷等級為Ⅳ級浪涌抗擾度試驗。
10) 傳導騷擾的抗擾度試驗:能承受IEC 60255-22-6:2001第4章規定的射頻場感應的傳導騷擾的抗擾度試驗。
11) 工頻抗擾度試驗:能承受IEC 60255-22-7:2003第4章規定的工頻抗擾度試驗。
5、絕緣性能
1) 絕緣電阻:各帶電的導電電路分別對地(即外殼或外露的非帶電金屬零件)之間,交流回路和直流回路之間,交流電流回路和交流電壓回路之間,用開路電壓為500V的測試儀器測試其絕緣電阻值不應小于100MΩ。
2) 介質強度:裝置通信回路和24V等弱電輸入輸出端子對地能承受50Hz、500V(有效值)的交流電壓,歷時1min的檢驗無擊穿或閃絡現象;其余各帶電的導電電路分別對地(即外殼或外露的非帶電金屬零件)之間,交流回路和直流回路之間,交流電流回路和交流電壓回路之間,能承受50Hz、2kV(有效值)的交流電壓,歷時1min的檢驗無擊穿或閃絡現象。
3) 沖擊電壓:裝置通信回路和24V等弱電輸入輸出端子對地,能承受1kV(峰值)的標準雷電波沖擊檢驗;其各帶電的導電端子分別對地,交流回路和直流回路之間,交流電流回路和交流電壓回路之間,能承受5kV(峰值)的標準雷電波沖擊檢驗。
6、機械性能
1) 振動響應:裝置能承受GB/T 11287-2000中4.2.1規定的嚴酷等級為I級振動響應檢驗。
2) 沖擊響應:裝置能承受GB/T 14537-1993中4.2.1規定的嚴酷等級為I級沖擊響應檢驗。
3) 振動耐久:裝置能承受GB/T 11287-2000中4.2.2規定的嚴酷等級為I級振動耐久檢驗。
4) 沖擊耐久:裝置能承受GB/T 14537-1993中4.2.2規定的嚴酷等級為I級沖擊耐久檢驗。
5) 碰撞:裝置能承受GB/T 14537-1993中4.3規定的嚴酷等級為I級碰撞檢驗。
7、保護定值整定范圍及誤差
定值整定范圍
交流電壓: 4V~100V;
交流電流: 0.1In~20In;
定值誤差
電流:< ±2.5%。
電壓: < ±2.5%。
8、延時整定范圍及誤差
定時限在0s~2s(含2s)范圍內不超過40ms,2s~100s范圍內不超過整定值的±2%;
反時限在0s~2s(含2s) 范圍內不超過±100ms,2s以上不超過理論值的±5%。
9、測量精度
1) 各模擬量的測量誤差不超過額定值的±0.2%;
2) 功率測量誤差不超過額定值的±0.5%;
3) 開關量輸入電壓(DC220V/110V/24V),分辨率不大于2ms;
4) 脈沖量輸入電壓DC 24V,脈沖寬度不小于10ms;
5) 有功、無功電度不超過±1%;
6) 頻率測量誤差不超過±0.02Hz;
7) 直流模擬量輸入范圍:0V~5V;
8) 直流基本誤差:不超過額定值的±0.5%(外接溫度變送器時,溫度測量誤差±2℃)。
10、節點容量
1) 出口跳合閘觸點
在電壓不大于250V,電流不大于1A,時間常數L/R為5ms±0.75ms的直流有感負荷電路中,觸點斷開容量為50W,長期允許通過電流不大于5A。
2) 出口信號及其它觸點
在電壓不大于250V,電流不大于0.5A,時間常數L/R為5ms±0.75ms的直流有感負荷電路中,觸點斷開容量為20W,長期允許通過電流不大于3A。
3.1詳細技術參數:
額定直流電壓: 220V
額定交流數據: 相電壓 100/V
零序電壓 100V
交流電流 5A或1A(訂貨注明)
零序電流 1A
額定頻率 50Hz
二.10KV變壓器保護系統
1、含線路開關系統的測量、控制,即有線路開關及其控制系統、電流互感器、電壓互感器、三相開關的控制、微機保護測控裝置等;2、 CT互感器;
3、 電壓VT組合互感器400/100;
4、可在線監測各線路的三相電流、電壓的有效值和相位;各序分量的有效值和相位;有功功率、無功功率、功率因數以及頻率;
5、在線監測線路開關的開、斷狀態;
6、對線路開關的開 / 合控制;
7、微機保護測控裝置的響應能力滿足對生產過程的數據采集和控制命令執行的時間要求,模擬量采樣頻率>3200,通過GOOSE命令開出出口時間≤7ms;
8、控制中心的響應能力滿足系統數據采集、人機通信、控制功能和系統通信的時間要求;
9、智能微機測控單元支持標準電力規約,可上送SOE信息、上送和接受GOOSE信息,可以通過雙環網以太網和站控層直接通訊,接受來自站控層的遙控命令,支持B碼對時;
10、智能微機測控單元的響應能力:中斷響應時間 ≤2ms;模擬點采集周期 ≤1s;控制命令響應時間 ≤1s;刷新時間 ≤1s;
10) 裝置采用許繼集團生產的WGB-631微機變壓器測控裝置,該裝置集成電路全部采用工業品或軍品,使得裝置有很高的穩定性和可靠性。
11) 采用32位DSP作為保護CPU,配置大容量的RAM和Flash Memory;數據運算、邏輯處理和信息存儲能力強,可靠性高,運行速度快。
12) 采用16位A/D作為數據采集,數據采集每周24點,保護測量精度高。
13) 采用圖形液晶,全中文顯示菜單式人機交互;可實時顯示各種運行狀態及數據,信息詳細直觀,操作、調試方便。
14) 可獨立整定8套保護定值,定值區切換安全方便。
15) 大容量的信息記錄:可保存不小于100個最近發生的歷史報告,可帶動作參數,掉電保持,便于事故分析。
16) 通信規約采用IEC-60870-5-103規約或MODBUS規約可選,設有雙RS-485通信接口;組網經濟、方便,可直接與微機監控或保護管理機聯網通訊。
17) 具有錄波功能,裝置記錄保護跳閘前4周波,跳閘后6周波(每周波24點)的采樣數據,保護跳閘后上送變電站自動化主站,也可以通過故障分析軟件進行故障分析。
18) 保護出口方式可以按照保護配置,出口設置方便靈活。
主要技術指標:
1、額定數據
額定電源電壓: DC220V
額定交流電壓:相電壓100/V
額定交流電流:5A
額定頻率:50Hz
半周波:100In
2、裝置功耗
1、交流電壓回路: 每相不大于1VA;
2、交流電流回路: In=5A時每相不大于1VA;In=1A時每相不大于
0.5VA;
3、零序電流回路: 1A;
4、保護電源回路: 正常工作時,不大于12W;保護動作時,不大于15W。
3、環境條件
環境溫度
工作: -25℃~+55℃。
儲存:-25℃~+70℃,相對濕度不大于80%,周圍空氣中不含有酸性、堿性或其它腐蝕性及爆炸性氣體的防雨、防雪的室內;在極限值下不施加激勵量,裝置不出現不可逆轉的變化,溫度恢復后,裝置應能正常工作。
相對濕度:最濕月的月平均最大相對濕度為90%,同時該月的月平均最低溫度為25℃且表面不凝露。最高溫度為+40℃時,平均最大濕度不超過50%。
大氣壓力:80kPa~110kPa(相對海拔高度2km以下)。
4、抗干擾性能
12) 脈沖群干擾試驗:能承受GB/T14598.13-1998規定的頻率為1MHz及100kHz衰減振蕩波(第一半波電壓幅值共模為2.5kV,差模為1kV)脈沖群干擾試驗。
13) 快速瞬變干擾試驗:能承受GB/T14598.10-1997第四章規定的嚴酷等級為Ⅳ級的快速瞬變干擾試驗。
14) 輻射電磁場干擾試驗:能承受GB/T14598.9-1995第四章規定的嚴酷等級為Ⅲ級的輻射電磁場干擾試驗。
15) 靜電放電試驗:能承受GB/T14598.14-1998中4.1規定的嚴酷等級為Ⅲ級的靜電放電試驗。
16) 電磁發射試驗:能承受GB/T14598.16-2002中4.1規定的傳導發射限值及4.2規定的輻射發射限值的電磁發射試驗。
17) 工頻磁場抗擾度試驗:能承受GB/T17626.8-1998第5章規定的嚴酷等級為Ⅳ級的工頻磁場抗擾度試驗。
18) 脈沖磁場抗擾度試驗:能承受GB/T17626.9-1998第5章規定的嚴酷等級為Ⅳ級的脈沖磁場抗擾度試驗。
19) 阻尼振蕩磁場抗擾度試驗:能承受GB/T17626.10-1998第5章規定的嚴酷等級為Ⅳ級的阻尼振蕩磁場抗擾度試驗。
20) 浪涌抗擾度試驗:能承受IEC 60255-22-5:2002第4章規定的嚴酷等級為Ⅳ級浪涌抗擾度試驗。
21) 傳導騷擾的抗擾度試驗:能承受IEC 60255-22-6:2001第4章規定的射頻場感應的傳導騷擾的抗擾度試驗。
22) 工頻抗擾度試驗:能承受IEC 60255-22-7:2003第4章規定的工頻抗擾度試驗。
5、絕緣性能
4) 絕緣電阻:各帶電的導電電路分別對地(即外殼或外露的非帶電金屬零件)之間,交流回路和直流回路之間,交流電流回路和交流電壓回路之間,用開路電壓為500V的測試儀器測試其絕緣電阻值不應小于100MΩ。
5) 介質強度:裝置通信回路和24V等弱電輸入輸出端子對地能承受50Hz、500V(有效值)的交流電壓,歷時1min的檢驗無擊穿或閃絡現象;其余各帶電的導電電路分別對地(即外殼或外露的非帶電金屬零件)之間,交流回路和直流回路之間,交流電流回路和交流電壓回路之間,能承受50Hz、2kV(有效值)的交流電壓,歷時1min的檢驗無擊穿或閃絡現象。
6) 沖擊電壓:裝置通信回路和24V等弱電輸入輸出端子對地,能承受1kV(峰值)的標準雷電波沖擊檢驗;其各帶電的導電端子分別對地,交流回路和直流回路之間,交流電流回路和交流電壓回路之間,能承受5kV(峰值)的標準雷電波沖擊檢驗。
6、機械性能
6) 振動響應:裝置能承受GB/T 11287-2000中4.2.1規定的嚴酷等級為I級振動響應檢驗。
7) 沖擊響應:裝置能承受GB/T 14537-1993中4.2.1規定的嚴酷等級為I級沖擊響應檢驗。
8) 振動耐久:裝置能承受GB/T 11287-2000中4.2.2規定的嚴酷等級為I級振動耐久檢驗。
9) 沖擊耐久:裝置能承受GB/T 14537-1993中4.2.2規定的嚴酷等級為I級沖擊耐久檢驗。
10) 碰撞:裝置能承受GB/T 14537-1993中4.3規定的嚴酷等級為I級碰撞檢驗。
7、保護定值整定范圍及誤差
定值整定范圍
交流電壓: 4V~100V;
交流電流: 0.1In~20In;
定值誤差
電流:< ±2.5%。
電壓: < ±2.5%。
8、延時整定范圍及誤差
定時限在0s~2s(含2s)范圍內不超過40ms,2s~100s范圍內不超過整定值的±2%;
反時限在0s~2s(含2s) 范圍內不超過±100ms,2s以上不超過理論值的±5%。
9、測量精度
9) 各模擬量的測量誤差不超過額定值的±0.2%;
10) 功率測量誤差不超過額定值的±0.5%;
11) 開關量輸入電壓(DC220V/110V/24V),分辨率不大于2ms;
12) 脈沖量輸入電壓DC 24V,脈沖寬度不小于10ms;
13) 有功、無功電度不超過±1%;
14) 頻率測量誤差不超過±0.02Hz;
15) 直流模擬量輸入范圍:0V~5V;
16) 直流基本誤差:不超過額定值的±0.5%(外接溫度變送器時,溫度測量誤差±2℃)。
10、節點容量
1) 出口跳合閘觸點
在電壓不大于250V,電流不大于1A,時間常數L/R為5ms±0.75ms的直流有感負荷電路中,觸點斷開容量為50W,長期允許通過電流不大于5A。
2) 出口信號及其它觸點
在電壓不大于250V,電流不大于0.5A,時間常數L/R為5ms±0.75ms的直流有感負荷電路中,觸點斷開容量為20W,長期允許通過電流不大于3A。
3.1詳細技術參數:
額定直流電壓: 220V
額定交流數據: 相電壓 100/V
零序電壓 100V
交流電流 5A或1A(訂貨注明)
零序電流 1A
額定頻率 50Hz
三.后臺監控系統
微機監控系統采用實際電力系統的監控界面,通過各種測控裝置、勵磁裝置、調速裝置、線路、變壓器、自動裝置等設備采集各測量點的電流、電壓、有功功率、無功功率、頻率、發電機轉速以及勵磁電流電壓等,對按照實驗要求可進行數據處理;進行實驗系統圖繪制,對實驗過程進行監視、控制、調整,并可以實現廠用電系統中的遙控、遙測、遙調、要信的控制。主要完成數據采集及處理;控制操作;報警及事件記錄;歷史記錄;顯示打印等功能.功能配置
1) 數據采集及處理功能:按電氣間隔分布配置或集中配置綜合測控終端;完成開關量、模擬量、脈沖量等信息的采集及處理。
2) 控制操作功能:斷路器及刀閘的分合;變壓器分接頭調節;電壓無功控制。控制操作由站級工作站實現,也可以在各間隔層測控終端通過手動操作完成。
3) 報警及事件記錄功能:將遙測越限、正常遙信變位、事故變位、保護信息、遙控記錄、操作記錄等信息集中統一管理,分類記錄并處理。
4) 歷史記錄功能 :負責定期地將處理后的數據保留入歷史庫,以供趨勢分析、統計計算之用。
5) 顯示打印功能:支持多窗口、分層顯示各種接線圖、地理圖、系統圖、曲線、潮流圖、事件列表、保護信息、報表、三維棒圖等。可人工、自動或定時打印各種報表、曲線、事件等。
6 ) 故障錄波分析功能:定值召喚及設置,對系統采集的擾動數據處理保存,并進行波形顯示、故障分析、打印等。
實訓項目
西門子PLC,中間繼電器,按鈕,指示燈,有功表,無功表等。智能儀表(可以測量幾十種諸如電壓、電流、功率、頻率等常用電力參數:電壓、電流測量精度為0.2%、功率測量精度為0.5)
監控系統通過遙測,遙信,遙控,遙調進行自動化控制。系統具有實時數據采集、功能故障點配置和數據處理等功能,可實現功能故障分析及波形打印功能。
1、系統信息遙測值組態實驗
2、各個功能故障點配置實驗
3、控制回路接線與診斷實驗
4、系統控制組態實驗
5、合,分開關主監控實驗
6、遙控分,合開關主監控實驗
7、故障告警信息實驗
8、事故發生的事件測量值,故障排除記錄實驗
9、對各個故障點進行傳出試驗
10、事故和預告音響等實驗
實訓項目
1. 工廠供電電氣接線圖的認知(1) 工廠供電一次電氣接線模擬圖的認知
(2) 工廠供電二次控制回路接線和信號回路實驗
(3) 斷路器控制,手動分合閘實驗
(4) 控制回路防跳、斷線實驗
(5) 電壓和電流互感器的接線方法
2. 供配電操作考核
(1) 模擬工廠供電倒閘操作考核
(2) 電壓無功聯調操作考核
(3) 送電、停電操作考核
3. 無功補償實驗
(1) 無功補償裝置的認知
(2) 手動/自動功率因數補償
(3) 無功補償回路故障模擬實驗
4. 常規繼電器特性及保護實驗
(1) 控制回路結構分析實驗
(2) 控制回路配線實訓實驗
(3) 控制回路故障排查實驗
(4) 控制回路結構優化實驗
(5) 控制回路異常告警實驗
5. 10KV線路保護實訓項目:
1.三段式電流保護實驗
2.過流加速保護實驗(前加速/后加速)
3.過負荷保護實驗(跳閘/告警可選)
4.零序電流保護實驗(跳閘/告警可選)
5.低電壓保護實驗
6. 三相一次重合閘實驗
7. 控制回路異常告警實驗
8. 跳位異常告警實驗
9. 彈簧未儲能告警實驗
6. 10KV變壓器保護實訓項目:
1、 三段式復壓閉鎖過電流保護實驗
2、 過負荷保護實驗
3、 反時限過流保護實驗
4、 負序過電流保護實驗
5、 高壓側零序電流保護實驗
6、 低壓側零序電流保護實驗
7、 低壓側零序反時限保護實驗
8、 低電壓保護實驗
9、 零序電壓保護實驗
10、 非電量保護實驗
11、 TV斷線檢測告警實驗
12、 控制回路異常告警實驗
13、 跳位異常告警實驗
14、 手車位置異常告警實驗
15、 彈簧未儲能告警實驗
本文鏈接:http://www.hrzsj.comhttp://www.hrzsj.com/gpd/987.html
文章來源:www.hrzsj.com??? ?編輯:中人教儀廠??? ?時間:2019-07-03 13:45
常見問題:
1、如果我要購買10Kv變電及工廠配電自動化實驗裝置、10KV輸配電綜合模擬實訓系統,是否有安裝、培訓服務呢?
答:我們的設備如果沒有特別注明“不含安裝”“裸機價”“出廠”等字樣的,都是提供安裝、培訓服務的。
2、你們的10Kv變電及工廠配電自動化實驗裝置、10KV輸配電綜合模擬實訓系統是否能開增值稅專用發票?
答:可以的,我們是正規企業,并且已經升級到一般納稅人,可以開具增值稅專用發票,如果您需要開10Kv變電及工廠配電自動化實驗裝置、10KV輸配電綜合模擬實訓系統的發票,您需要提供開票資料。
3、你們的產品都是自己生產的嗎?都有什么產品資質?
答:我們公司是專業生產教學設備的企業,完全自主生產,并通過了最新版ISO9001認證,擁有多項專利與著作權。
* 表示必填采購:10Kv變電及工廠配電自動化實驗裝置








