plc教學實驗臺接線方法圖片高清視頻
時間:2025-11-18 23:40:20 點擊次數:
中人教儀廠

一、引言
在工業自動化教育領域中,PLC(可編程邏輯操控器)教育試驗臺扮演著至關重要的人物。它為學生供給了一個直觀、實踐的學習掌控把握掌控把握掌控把握環境,使他們可以親手實操并深化理解PLC的作業原理和編程辦法。--將具體簡介PLC實驗臺的接線辦法,并輔以高清圖片和視頻,協助讀者更好地把握這一技能。
二、PLC實驗臺基礎簡介
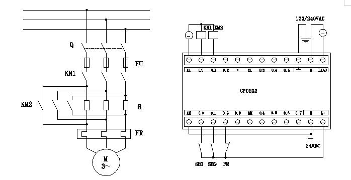
PLC實驗臺一般由PLC主機、寫入設備、輸出設備、電源模型塊以及銜接實驗連接線等含有概括。寫入設備含有概括開關、按鈕、傳感器等,用來向PLC供給操控信號;輸出設備含有概括指示燈、電機、繼電器等,用來履行PLC的操控指令。電源模型塊擔任為整個試驗臺供給平穩的電源供給。
三、接線辦法詳解
電源接線
首要,咱們需要將電源模型塊與試驗臺銜接。這一般涉及到將電源線刺進電源模型塊的相應插孔,并保證銜接結實。在接線中,必須留意電源的電壓(V)(V)(V)和電流(A)(A)(A)規格,以免損壞設備。
寫入設備接線
--咱們將寫入設備與PLC主機銜接。以開關為例,咱們可以將開關的一端銜接到PLC的某個寫入端口(如X0),另一端銜接到電源的負極。在接線時,要保證實驗連接線的色彩或符文號與PLC端口的標識相對應,以便后續編程時可以正確識別。
輸出設備接線
輸出設備的接線辦法與寫入設備類似。以指示燈為例,咱們可以將指示燈的正極銜接到PLC的某個輸出端口(如Y0),負極一起合作銜接到電源的負極。相同,要保證實驗連接線的色彩或符文號與PLC端口的標識相對應。
四、高清圖片與視頻輔助
為了更好地協助讀者理解接線辦法,--將供給高清圖片和視頻作為輔助材料。圖片將展現試驗臺的全體布置、各個部位件的方位以及接線細節,使讀者可以明晰地看到每個步驟的實操過程。視頻則將展現實際的接線過程,含有概括實驗連接線的剝皮、刺進端口、固定等實操,使讀者可以直觀地理解接線的具體實操辦法。
五、留意事項
在實行PLC實驗臺接線時,需要留意以下幾點:
保證電源已封閉,避免在接線過程中發生電擊事故。
查驗實驗連接線的重量(kg)(kg)和長度,保證它們契合試驗要求并設定有杰出的導電功能。
在刺進實驗連接線時,要輕輕旋轉并略微用力,以保證實驗連接線與端口嚴密接觸并固定結實。
在接線完成后,必須實行仔細查驗,保證一切銜接全部正確無誤。
六、試驗與調動測量試驗
完成接線后,咱們可以開端實行試驗與調動測量試驗。首要,打開PLC編程系統,創立一個新的項目并裝備相應的寫入/輸出端口。--編寫一個簡略的操控程序,如操控指示燈的閃耀或電機的啟停等。將程序下載到PLC主機后,給試驗臺上電并調查輸出設備的反應。經過不斷調動程序功能數值和調查試驗成果,咱們可以逐漸優化操控邏輯并提升試驗效果。
七、結語
--具體簡介了PLC實驗臺的接線辦法,并輔以高清圖片和視頻作為輔助材料。經過試驗與調動測量試驗環節的實踐實操,讀者可以深化理解和把握PLC的作業原理和編程辦法。希望--可以對廣大讀者在PLC學習掌控把握掌控把握掌控把握與實踐過程中供給有益的協助和輔導。
以上文章僅供參考。
常見問題:
1、如果我要購買plc教學實驗臺接線方法圖片高清視頻,PLC實驗臺,是否有安裝、培訓服務呢?
答:我們的設備如果沒有特別注明“不含安裝”“裸機價”“出廠”等字樣的,都是提供安裝、培訓服務的。
2、你們的plc教學實驗臺接線方法圖片高清視頻,PLC實驗臺是否能開增值稅專用發票?
答:可以的,我們是正規企業,并且已經升級到一般納稅人,可以開具增值稅專用發票,如果您需要開plc教學實驗臺接線方法圖片高清視頻,PLC實驗臺的發票,您需要提供開票資料。
3、你們的plc教學實驗臺接線方法圖片高清視頻,PLC實驗臺都是自己生產的嗎?都有什么產品資質?
答:我們公司是專業生產教學設備的企業,完全自主生產,并通過了最新版ISO9001認證,擁有多項專利與著作權。
本文來自網絡,不代表本站立場,圖片為參考圖片,轉載請注明出處:plc教學實驗臺接線方法圖片高清視頻,PLC實驗臺