plc實訓課總結
時間:2025-02-25 23:42:54 點擊次數:
中人教儀廠

plc實驗課--
PLC,即可編程邏輯控制器(Programmable Logic Controller),是一種應用廣泛的自動化控制設備。在現代工業中,PLC在各種生產線和工序技藝過程中全部扮演著重要的角色。PLC實驗課程旨在培養學生對PLC的課程課程課程理論知識和實際應用的綜合能力。在這門課程中,學生經過接觸實際的PLC實驗臺,學習掌控把握掌控把握掌控把握并理解PLC的作業原理、編程方法和故障診斷技巧。--我將就PLC實驗課程實行一次--,并分享我的學習掌控把握掌控把握掌控把握體會。
PLC實驗課程主要分為課程課程課程理論學習掌控把握掌控把握掌控把握和實踐實操兩個部分。課程課程課程理論學習掌控把握掌控把握掌控把握環節涵蓋了PLC的基礎概念、作業原理、編程語言以及通信協議等內容。學生經過課堂上的講解和案例解析,掌控把握了PLC在工業控制系統中的核心作用。從PLC的硬件含有概括到程序設計,再到常見故障的排除,全部得到了詳細講解和深入理解。
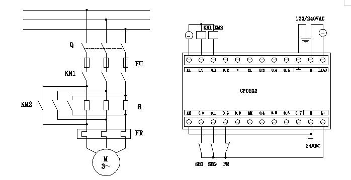
實踐實操環節是PLC實驗課程中最為重要的部分。學生們親身實操PLC實驗臺,實行模仿工業場景的控制和監測。在實踐中,我們學習掌控把握掌控把握掌控把握了PLC的連接方法、寫入輸出的設定以及邏輯控制的編程方法。經過參與實際的項目案例,我們能夠更好地理解PLC的應用場景和作業流程。
在PLC實驗課程中,我收獲了很多知識和技能。--我對PLC的含有概括構造和作業原理有了更深入的理解。我學會了如何使用PLC編程系統,創建和編輯程序,可以在實驗臺上實行調動測量試驗和測量試驗。--我提升了邏輯思維和問題解決能力,在遇到故障時能夠及時排除并修復。--經過與同學們的合作開展項目任務,我也鍛煉了團隊合作和溝通能力。

-在PLC實驗課程中也遇到了一些挑戰。PLC實驗臺的使用較為復雜,實操起來需要一定的技巧和經驗。在編寫程序時,遇到了一些語法錯誤和邏輯問題,需要花費更多的時間實行調動測量試驗和修改。但經過與教師和同學的交流ACACAC和分享,這些問題得到有效解決。
--PLC實驗課程給予了我全面系統地理解和掌控把握PLC的機會。經過課程課程課程理論學習掌控把握掌控把握掌控把握和實踐實操,我對PLC的原理和應用有了更深入的認識,并而而而且取得了一定的技能和經驗。這門課程不僅為我未來從事自動化領域作業奠定了堅實的基礎,也培養了我解決問題和團隊合作的能力。
PLC實驗課程是一門富有挑戰性和技術性的課程,但它也是非常有意義和實用的。經過學習掌控把握掌控把握掌控把握PLC,我們可以更好地理解工業自動化系統的運行機制,提升生產效率和重量(kg)(kg)。未來,我將繼續深入學習掌控把握掌控把握掌控把握和探索PLC技術,不斷提升自己在自動化領域的專業能力。
關鍵詞:PLC實驗臺、可編程邏輯控制器、自動化控制、工業控制系統、編程語言、故障排除、連接方法、團隊合作
常見問題:
1、如果我要購買plc實訓課總結,是否有安裝、培訓服務呢?
答:我們的設備如果沒有特別注明“不含安裝”“裸機價”“出廠”等字樣的,都是提供安裝、培訓服務的。
2、你們的plc實訓課總結是否能開增值稅專用發票?
答:可以的,我們是正規企業,并且已經升級到一般納稅人,可以開具增值稅專用發票,如果您需要開plc實訓課總結的發票,您需要提供開票資料。
3、你們的plc實訓課總結都是自己生產的嗎?都有什么產品資質?
答:我們公司是專業生產教學設備的企業,完全自主生產,并通過了最新版ISO9001認證,擁有多項專利與著作權。
本文來自網絡,不代表本站立場,圖片為參考圖片,轉載請注明出處:plc實訓課總結