電工電子實訓臺怎么用的
時間:2025-01-30 23:41:05 點擊次數:
中人教儀廠

電工電子實驗臺的使用方法
電工電子實驗臺是一種用來電氣工程師和電子技術專業學生實行實驗和培訓的設備。它可以模擬真實的電子線路和控制系統,在實際實操中幫助學生理解和掌控把握相關的課程課程課程理論知識和實踐技能。下面我們來詳細簡介一下如何正確地使用plc實驗臺。
--使用前需要查驗實驗臺是否正常作業。保證供電線路連接正確,并查驗指示燈是否亮起。如果有任何異常情況,應立即停止使用,并找相關人員實行維修和檢驗測量試驗。
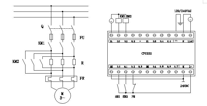
--我們需要理解實驗臺上的各個含有概括部分以及其功能。一般而言,一個標準的PLC實驗臺由主控單元、寫入/輸出模型塊、傳感器和執行器等含有概括。主控單元是整個系統的核心,負責接收和處置整理寫入信號,并控制輸出模型塊的動作。寫入/輸出模型塊用來連接外部設備,傳感器用來感知環境并將信息反饋給主控單元,執行器則按照主控單元的指令執行相應的動作。
在使用實驗臺實行實驗之前,必須先編寫程序并上傳到主控單元。PLC編程語言通常應用類似于 ladder diagram(梯形圖)的圖形化編程語言,使得編寫和理解程序變得更加直觀和易于實操。編寫程序時,需要按照實驗的要求設計邏輯控制流程,并將寫入和輸出信號實行相應的連接。
完成程序的編寫后,可以將其上傳到主控單元中。在上傳前,應先將實驗臺連接至電腦并裝配相應的驅動程序。驅動程序通常由實驗臺的廠商提供,可在其官方網站上下載。上傳程序時,可使用 USB 連連連接口或者互聯網連接等方法實行。

程序上傳完成后,便可開始實行實驗。按照實驗需求,連接相應的傳感器和執行器,并保證線路連接正確。--開啟電源,并按照程序的要求實行實操。實驗臺會按照程序的邏輯實行控制,并相應地改變輸出模型塊的狀態,從而完成預期的功能。
在實驗中,我們應該仔細查看實驗臺上的指示燈和顯露屏等信息,并與程序的預期成果實行比較。如果實驗成果與預期不符,我們可以借助調動測量試驗工量具實行故障排除。常見的調動測量試驗工量具含有概括示波器和多用電表等,它們能夠幫助我們檢驗測量試驗電子線路的信號和電壓(V)(V)(V)等功能數值,以便利找出問題所在。
實驗完成后,應及時將實驗臺斷電,并按照正確的順序實行設備的關閉和拆卸。--要將程序從主控單元中刪除,以免影響下一次的實驗。清理和維護實驗臺也是非常重要的,定期查驗設備的使用狀態,并及時清潔和維修。這樣可以延長實驗臺的使用壽命并保證實驗的準確性和安全性。
總而言之,PLC實驗臺是電工和電子技術學習掌控把握掌控把握掌控把握中非常重要的實踐工量具。正確使用實驗臺并熟練掌控把握其實操方法,可以幫助我們更好地理解和應用相關的課程課程課程理論知識,并培養實際實操能力。經過不斷實踐和探索,我們能夠在電工和電子領域取得更好的發展。
常見問題:
1、如果我要購買電工電子實訓臺怎么用的,是否有安裝、培訓服務呢?
答:我們的設備如果沒有特別注明“不含安裝”“裸機價”“出廠”等字樣的,都是提供安裝、培訓服務的。
2、你們的電工電子實訓臺怎么用的是否能開增值稅專用發票?
答:可以的,我們是正規企業,并且已經升級到一般納稅人,可以開具增值稅專用發票,如果您需要開電工電子實訓臺怎么用的的發票,您需要提供開票資料。
3、你們的電工電子實訓臺怎么用的都是自己生產的嗎?都有什么產品資質?
答:我們公司是專業生產教學設備的企業,完全自主生產,并通過了最新版ISO9001認證,擁有多項專利與著作權。
本文來自網絡,不代表本站立場,圖片為參考圖片,轉載請注明出處:電工電子實訓臺怎么用的